
Project 19: Constant Current Load Battery Testing.
2022-12-10
Objective:
To test battery drain using a constant current load. A circuit commonly used for this purpose was used.
Test Equipment:
1. Dell Inspiron N5110 i3-2310M laptop.
2. TPI 153 Multimeter
3. Arduino Uno
4. 3M Breadboard 922306
5. Weller WE101NA Digital Soldering Station with general supplies.
6. Misc wire cutters
7. Misc wire connectors
Materials:
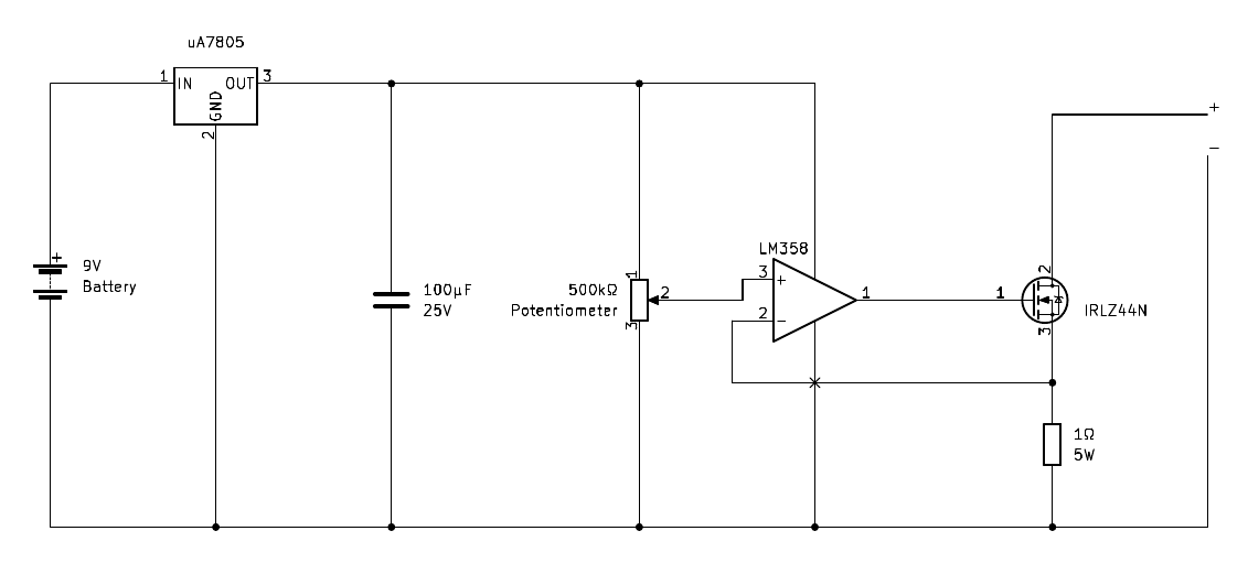
| QTY | MANUFACTURER PART NUMBER | DESCRIPTION | PRICE |
| 1 | LM358P | IC OPAMP GP 2 CIRCUIT 8DIP | 0.36 |
| 1 | IRLZ44PBF | MOSFET N-CH 60V 50A TO220AB | 3.01 |
| 1 | L7805CV | IC REG LINEAR 5V 1.5A TO220AB | 0.69 |
| 1 | ALSR051R000JE12 | RES 1 OHM 5W 5% AXIAL | 1.88 |
| 1 | MAL202126101E3 | CAP ALUM 100UF 20% 25V AXIAL | 2.16 |
| 1 | CMF5510K000FKEA | RES 10.0K OHM 1/2W 1% AXIAL | 0.48 |
| 1 | CMF501K0000BEEB | RES 1.0K OHM 1/4W 0.1% AXIAL | 2.63 |
Build Procedure and Testing:
1. Build circuit on breadboard.
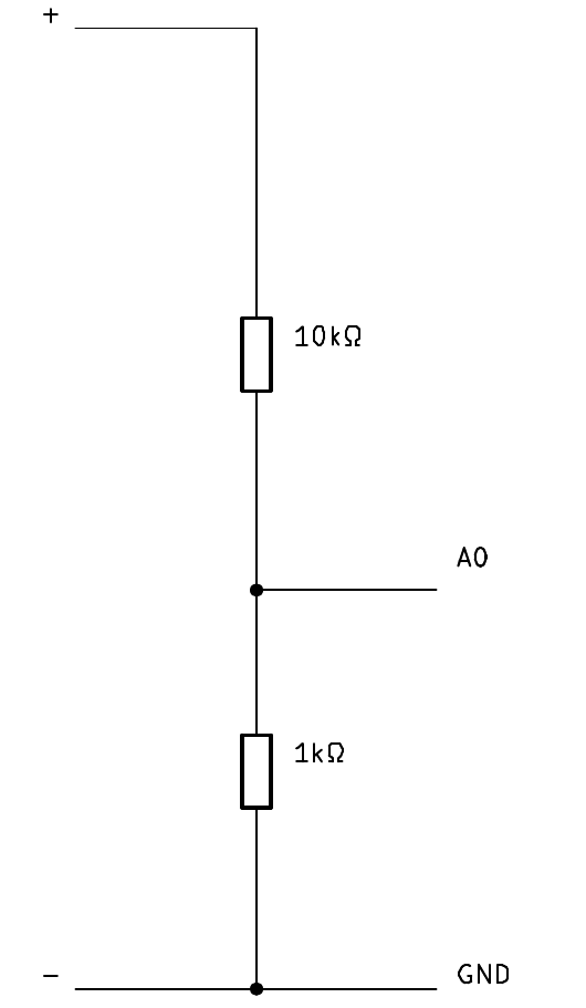
2. Build voltage measure harness for Arduino Uno. This is a voltage divider circuit to lower voltage, thereby enable Arduino to measure larger voltage range.
3. Load minicom on Linux Laptop.
4. Program Arduino and set-up wire harness to measure voltage. Make sure the Arduino is plugged into the laptop and close any Arduino software (i.e. prevent Arduino serial software from interfering with minicom.
4. Confirm serial device by running "ls -la /dev" command.
5. Confirm minicom by running "minicom -s" command Set-up correct device and baud rate.
6. Enter console window, then set-up record to file, timestamp, etc.
7. Now plug battery to be tested into the breadboard.
8. Temporarily wire amp meter and adjust potentiometer to desired current drop.
9. Once set remove amp meter, and reconnect. Check minicom is recording data, now simply wait until the battery potential drops desired level
10. Refer to data file to determine time to drain battery. This concludes test.
Conclusion
The battery drain circuit can be used to compare batteries. For example Kirkland brand and Duracell AA batteries were tested. They were placed under a constant current of about 410 mA.
Using the circuit and averaging the battery power over two batteries I found the Kirkland produced 388 mAhr, while the Duracell produce 395 mAhrs. I also observed the Kirkland dropped steeply near end of life compared to Duracell.
Both AA batteries weighted similar, Kirkland 24 g and the Duracell 23 g.
I opened both AA batteries and of course the construction was nearly identical.
I think it is fine to purchase lower cost Kirkland batteries. But, I would recommend testing any change in batteries and make sure batteries come from a known vendor.
Copyright © 2022 by Gregory Altimas